Если вы хотите вернуть ощущение игр из 80–90‑х на современном ПК, вполне хватит старого джойстика и пары радиодеталей. Собрать рабочий геймпад для гейм‑порта несложно: схема минималистична, детали доступны, а результат отлично подходит для аркад, скроллеров и гонок в эмуляторах или под DOS.
Что понадобится
Для самодельного геймпада приготовьте следующие компоненты и инструменты:
- Игровой манипулятор от 8‑битной приставки (корпус, резинки и пластик остаются, плату — извлечь)
- Штырьковый DB‑15 с корпусом для подключения к ПК
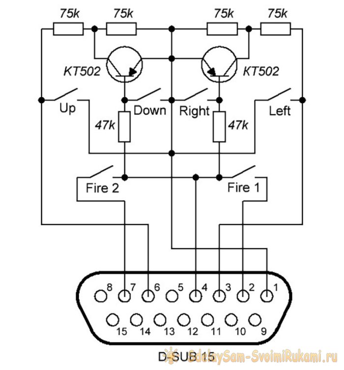
- 2 транзистора p‑n‑p (подойдут КТ502, КТ3107, BC556, S9015 и др.)
- 4 резистора по 75 кОм и 2 резистора по 47 кОм (0,125–0,25 Вт)
- Тонкий многожильный провод в цветной изоляции (шесть жил для интерфейса)
- ПВХ трубка диаметром около 4,5 мм для изготовления кабеля
- Паяльник, припой, флюс, скальпель, тонкие провода и термоусадка или протекторы
Краткая инструкция по сборке
Разберите приставочный манипулятор, извлеките плату и аккуратно отпаяйте заводской кабель. На плате перережьте скальпелем дорожки, идущие от контроллера, зачистите площадки и залудите их — так вы подготовите посадочные места для модульной схемы.
Сначала соберите модуль из транзисторов и резисторов «на улице» — скрутите выводы, зафиксируйте пайкой и стремитесь к компактности. Если выполнить этот узел аккуратно, далее будет проще припаять его к плате манипулятора и подключить перемычки, объединяющие контактные группы кнопок.
Припаивайте пять проводов от модуля к соответствующим дорожкам на плате, а затем подготовьте соединительный кабель: вставьте шесть жил в тонкую ПВХ трубку длиной около 1,8 м. Идеальный выбор провода — гибкий МГТФ, он прочный и удобный при изгибах.
На стороне корпуса геймпада распаяйте свободные концы кабеля к контактам. После пайки плату следует хорошо отмыть от флюса, уделив особое внимание контактным площадкам кнопок. На кабель наденьте протекторы из ПВХ или термоусадку, а свободный конец припаяйте к DB‑15 и зафиксируйте корпусом с винтом и скобой.
Осталось вернуть в корпус толкатели кнопок и резинки с контактами, аккуратно уложить плату и проверить точность размещения слоёв. Если ничего не мешает — закройте корпус и заверните саморезы.
Проверка и эксплуатация
Проверить работу геймпада можно программами‑тестерами для гейм‑порта или старым софтом, который корректно распознаёт джойстик. В случае проблем проверьте пайки, целостность проводов и правильность соединений по плану схемы.
Проект легко масштабируется: если хотите, можно заменить корпус, удлинить кабель или добавить дополнительные кнопки, сохраняя базовую принципиальную схему. Такой геймпад — недорогой и практичный способ оживить ретро‑игры и насладиться аутентичным управлением.










