Необычная самоделка: небольшой генератор, работающий от тряски, можно встроить в обычный дистанционный пульт и почти полностью избавить себя от батареек. Это не фабричный гаджет, а любительский эксперимент, который при аккуратной сборке действительно позволяет управлять телевизором без привычных элементов питания.
Что понадобится
Материалов немного — всё доступно и недорого. Главное — аккуратная намотка катушки и надёжная сборка схемы.
- 3–4 круглых неодимовых магнита;
- пластиковая трубка подходящего диаметра (каркас для катушки);
- эмалированная проволока 0,1–0,2 мм;
- двусторонний скотч и обычный скотч для фиксации;
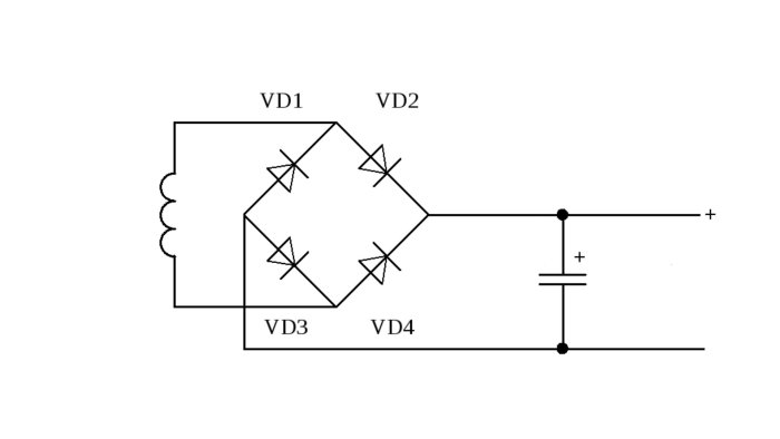
- диоды (подойдут любые SMD) и ионистор (суперконденсатор) 5,5 В, 0,22 Ф;
- картон или тонкая пластина для крепления элементов, паяльник и провода.
Как собрать генератор
Намотку катушки удобно делать на электрическую отвертку: надеваем трубку на патрон и равномерно наматываем провод. Для начала провод фиксируем кусочком двустороннего скотча, затем делаем примерно 1500 витков и закрепляем катушку скотчем. После этого проверяем: к выводам можно подключить светодиод, вставить магниты в трубку и потрясти — при правильной намотке светодиод должен мигать.
Дальше собираем выпрямитель и подключаем ионистор. Схема классическая — мост из диодов и суперконденсатор вместо батареи. Для надёжности элементы приклеивают к картону, а затем крепят к катушке. Перед установкой в пульт ещё раз проверяют: при тряске светодиод должен гореть устойчиво — это значит, что ионистор заряжается.
Установка в пульт и проверка
Концы трубки закрывают картоном и фиксируют скотчем, затем вставляют собранный генератор в корпус пульта. Провода припаивают с соблюдением полярности. Для первоначальной зарядки требуется энергично потрясти пульт около 1–2 минут — этого хватает примерно на 2–3 дня обычного использования. В дальнейшем короткая «подзарядка» тряской 10–20 секунд обычно восстанавливает работоспособность, так как ионистор разряжается не полностью.
Получается простой и относительно надёжный способ сделать пульт, не требующий постоянной замены батареек. Эксперимент подойдёт тем, кто любит конструировать и готов потратить пару часов на аккуратную сборку.












